Early history of shunt diode safety barriers

Display instrumentation for use in hazardous and safe areas

For new developments in this field the current situation on first appraisal appears to be very different but the circumstances are fundamentally similar and new developments still take a similar time as illustrated by the FISCO [Fieldbus] and Power 'i' developments.

The first use of zener diodes for the limitation of voltage in intrinsically safe circuits in the UK was probably in the output isolator stage of a very early [1959] electronic controller manufactured by Evershed and Vignoles. The possible use of a fuse/ zener diode/resistor network as a barrier was first publicly discussed by Bob Redding at a symposium [organised by Ludwig Finklestein]at Northampton College of Advanced Technology [now City University] in 1961.

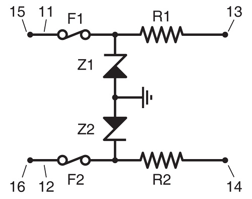
Initial Redding proposal

Figure 1 Initial Redding proposal

Bob Redding at the time worked for Evershed and Vignoles, but later became a very independent consultant. Bob had an incredible inventive flair combined with an irrepressible temperament. He made a very significant contribution to the development of barriers, other aspects of intrinsic safety and process instrumentation generally.

The proposed design was beautifully simple and is illustrated in Figure 1 and this initiated a very long and searching discussion. At this time Kent Instruments was trying to get its Transdata range [an early transistorised measurement and control system] certified as 'associated apparatus'[not a defined term at that time] for use in IS systems and not having a great deal of success. A prototype model of the Redding barrier using a terminal block component holder was created as a possible way forward. Figure 2 shows part of the drawing of this device. [As an aside it is interesting to note that the drawing was created by John Notley who later became a significant player in the ABB organisation but was a youthful draughtsman within Kent Instruments at the time].

A fairly intensive discussion period followed and the need to duplicate or triplicate the diodes emerged.

At this time the question of the permitted fault count, which components were considered infallible and the possibility of 'ia' and 'ib' levels of intrinsic safety were all at very early stages of discussion. The permitted use of only two specially tested diodes in what is essentially an 'ia' apparatus was influenced to some extent by the necessity to continue the use of bridge rectifiers to suppress inductive loads such as solenoid valves. There was limited knowledge on the surge rating of zener diodes and the relationship with the rupturing characteristics of fuses was endlessly debated. Fortunately much of the necessary experimental work was done by a combination of Bert Riddlestone and Adrian Bartel at the Electrical Research Association [ERA] and consequently was readily accepted. The majority of the tests were done using stud mounted diodes from International Rectifiers who cooperated well throughout. On one occasion there was a meeting at ERA with Dr Gehm the then head of the German certifying authority Physkalisch-Technische Bundesanstalt [PTB] who was not in favour of barriers and had recorded the statement that 'barriers would never be permitted in Germany'.

Early barrier prototype
Figure 2 Early barrier prototype